



Need loads of horsepower? Fuel injected, intelligent computer controlled lineup delivers versatile power and high performance for commercial applications.




Need loads of horsepower? Fuel injected, intelligent computer controlled lineup delivers versatile power and high performance for commercial applications.
Honda V-Twin engines offer horsepower, adaptability, quiet operation, and fuel efficiency. Not to mention a 3-year warranty.
Features
Specifications
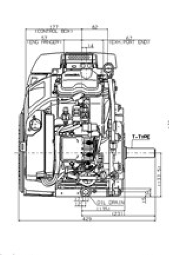
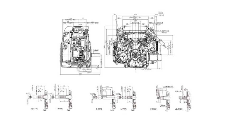
Dimension Diagram
Performance Curve
Download the Owner's Manual to find more detailed information about this engine.
Keeping your Honda healthy is an
imperative part of maintaining the
quality, reliability and performance of
your engine.
Download the features and specifications sheet for this engine.
Honda has a long history of groundbreaking innovation. Discover the Honda difference.

